免费热线:400-0635-815
销售热线:0635-24145550635-2414666
咨询热线:(0)13506352889
传 真:0635-2413506
联 系 人:沈经理
办公地址:山东省临清市龙山路68号

您的当前位置:首页玛雅吧论坛JF7010/JF7049轴承工艺改进方法 玛雅吧论坛

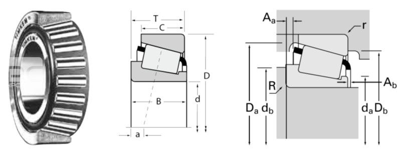
JF7010/JF7049轴承工艺改进方法

通联轴承针对JF7010/JF7049轴承使用特殊性,修改了滚道的精度测量工艺,在汽车轮毂部位减少了噪音,延长了汽车的行使公里数。

JF7010/JF7049轴承结构图

JF7010/JF7049轴承结构图

上一篇: FAG 201056 BEARING 研发滚道改进新方法
下一篇: 浅析是什么原因让汽车轴承如此受欢迎
相关文章: