免费热线:400-0635-815
销售热线:0635-24145550635-2414666
咨询热线:(0)13506352889
传 真:0635-2413506
联 系 人:沈经理
办公地址:山东省临清市龙山路68号
DAC45850023 |
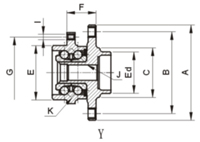
![]() |
![]() |
| Bearing No. | Dimension(mm) | Weight | Relative No. | Seal Type | |||||
| d | D | B | C | Kg | SKF | FAG | KOYO | ||
| DAC124000183 | 12 | 40 | 18.3 | 18.3 | 0.11 | C-00187 | D | ||
| DAC20420030/29 | 20 | 42 | 30 | 29 | 0.17 | 565592 J22 | 539816 | B | |
| DAC205000206 | 20 | 50 | 20.6 | 20.6 | 0.21 | 156704 | A | ||
| DAC205000206S | 20 | 50 | 20.6 | 20.6 | 0.22 | 320104 | A | ||
| DAC2184800206/18 | 21.8 | 48 | 20.6 | 18 | 0.25 | A | |||
| DAC25520037 | 25 | 52 | 37 | 37 | 0.31 | 445539A | 576467 | B.C.E | |
| DAC25520037S | 25 | 52 | 37 | 37 | 0.31 | FC12025 | B.D.F | ||
| DAC25520042 | 25 | 52 | 42 | 42 | 0.34 | (25BWD01) | BCE | ||
| DAC25520043 | 25 | 52 | 43 | 43 | 0.35 | B | |||
| DAC255200206/23 | 25 | 52 | 20.6 | 23 | 0.33 | B | |||
| DAC25550043 | 25 | 55 | 43 | 43 | 0.36 | (IR-2222) | B.C | ||
| DAC25560032 | 25 | 56 | 32 | 32 | 0.34 | D | |||
| DAC25560029/206 | 25 | 56 | 29 | 20.6 | 0.32 | B | |||
| DAC254650027/24 | 25.4 | 65 | 27 | 24 | 0.60 | A | |||
| DAC25720043 | 25 | 72 | 43 | 43 | 0.65 | I | |||
| DAC27520045 | 27 | 52 | 45 | 45 | 0.36 | B | |||
| DAC27530043 | 27 | 53 | 43 | 43 | 0.36 | B | |||
| DAC27600050 | 27 | 60 | 50 | 50 | 0.56 | 27BWD01J | (IR-8653) | B.I | |
| DAC28580042 | 28 | 58 | 42 | 42 | 0.45 | (28BWD03A) | DAC28582RK | B | |
| DA C28610042 | 28 | 61 | 42 | 42 | 0.53 | (28BWD01A) | A.B | ||
| DAC29530037 | 29 | 53 | 37 | 37 | 0.34 | 801023A | D? | ||
| DAC30500020 | 30 | 50 | 20 | 20 | 0.13 | B | |||
| DAC30540024 | 30 | 54 | 24 | 24 | 0.36 | DE0681 | A | ||
| DAC30550030/25 | 30 | 55 | 30 | 25 | 0.39 | ATV-BB-2 | A | ||
| DAC30550032 | 30 | 55 | 32 | 32 | 0.27 | D | |||
| DAC30580042 | 30 | 58 | 42 | 42 | 0.48 | B | |||
| DAC30600037 | 30 | 60 | 37 | 37 | 0.42 | 6-256706E1 | B.C | ||
| DAC30600337 | 30 | 60.03 | 37 | 37 | 0.42 | 633313C | 529891AB | 545312 | B.C.D |
| DAC3060037/34 | 30 | 60 | 37 | 34 | 0.40 | A | |||
| DAC30620032 | 30 | 62 | 32 | 32 | 0.36 | (30BVV06) | B | ||
| DAC30620037 | 30 | 62 | 37 | 37 | 0.42 | (IR-8004) | D | ||
| DAC30620038 | 30 | 62 | 38 | 38 | 0.43 | (30BWD10) | D | ||
| DAC30620044 | 30 | 62 | 44 | 44 | 0.44 | B | |||
| DAC30630042 | 30 | 63 | 42 | 42 | 0.47 | (30BWD01A) | DAC3063W-1 | A.B | |
| DAC30640037 | 30 | 64 | 37 | 37 | 0.47 | D | |||
| DAC30640042 | 30 | 64 | 42 | 42 | 0.49 | DAC3064WRKB | F | ||
| DAC30650021 | 30 | 65 | 21 | 21 | 0.27 | 630374/C4 | 522372 | (IR-8014) | B |
| DAC306500264 | 30 | 65 | 26.4 | 26.4 | 0.36 | 320406 | B | ||
| DAC30680045 | 30 | 68 | 45 | 45 | 0.52 | (30BWD04) | E | ||
| DCA307200302 | 30 | 72 | 30.2 | 30.2 | 0.31 | 3306 | A | ||
| DAC30720037 | 30 | 72 | 37 | 37 | 0.80 | BAHB636035 | A | ||
| DAC32720045 | 32 | 72 | 45 | 45 | 0.60 | (32BWD05) | A | ||
| DAC32580065/57 | 32 | 58 | 65 | 57 | 0.60 | B | |||
| DAC32720034 | 32 | 72 | 34 | 34 | 0.60 | B | |||
| DAC34620037 | 34 | 62 | 37 | 37 | 0.41 | 309724 BAHB311316B | 561447 | B.C | |
| 531910 | |||||||||
| DAC34640037 | 34 | 64 | 37 | 37 | 0.43 | 309726DA | 532066DE | DAC3464G1 | C.E.G.F |
| DAC34660037 | 34 | 66 | 37 | 37 | 0.41 | 636114A | 580400CA | C.E | |
| DAC34670037 | 34 | 67 | 37 | 37 | 0.44 | C | |||
| DAC35680233/30 | 34.99 | 68.02 | 33 | 30 | 0.47 | DAC3568W-6 | A | ||
| DAC35620031 | 35 | 61.8 | 31 | 31 | 0.35 | DAC3562AW | A | ||
| DAC35620040 | 35 | 61.8/62 | 40 | 40 | 0.42 | DAC3562W-5CS35 | B.D | ||
| DAC35640037 | 35 | 64 | 37 | 37 | 0,41 | DAC3564A-1 | C.D | ||
| DAC35650035 | 35 | 65 | 35 | 35 | 0.40 | BT2B445620B | 546238A | B.C.D | |
| DAC35660032 | 35 | 66 | 32 | 32 | 0.42 | 445980A | B.D | ||
| DAC35660033 | 35 | 66 | 33 | 33 | 0.43 | BAHB633676 | B | ||
| DAC35660037 | 35 | 66 | 37 | 37 | 0.48 | BAHB311309 | 544307 | (BAHB0023) | C.E |
| DAC35670042 | 35 | 67 | 42 | 42 | 0.45 | D | |||
| DAC35680233/30 | 34.99 | 68.02 | 33 | 30 | 0.47 | A | |||
| DAC35680037 | 35 | 68 | 37 | 37 | 0.48 | PLC15-12 | GB12132S03 | DAC3568A2RS | B.C.D |
| DAC35680042 | 35 | 68 | 42 | 42 | 0.52 | B | |||
| DAC35680045 | 35 | 68 | 45 | 45 | 0.52 | B | |||
| DAC35720027 | 35 | 72 | 27 | 27 | 0.43 | A | |||
| DAC35720028 | 35 | 72.02 | 28 | 28 | 0.44 | A | |||
| DAC35720033 | 35 | 72 | 33 | 33 | 0.58 | BAHB633669 | 548083 | GB12094 | B.C |
| DAC35720034 | 35 | 72 | 34 | 34 | 0.60 | B | |||
| DAC35720233/31 | 35 | 72.02 | 33 | 31 | 0.56 | DAC357233B-1W | A | ||
| DAC35720433 | 35 | 72.04 | 33 | 33 | 0.58 | BA2B446762B | GB12862 | D | |
| DAC35720042 | 35 | 72 | 42 | 42 | 0.70 | B | |||
| DAC35720045 | 35 | 72 | 45 | 45 | 0.72 | B | |||
| DAC35760054 | 35 | 76 | 54 | 54 | 0.84 | 35BWD10 | G | ||
| DAC36680033 | 36 | 68 | 33 | 33 | 0.50 | DAC3668AW | A.B.D | ||
| DAC36720434 | 36 | 72.04 | 34 | 340 | 0.58 | B | |||
| DAC36720534 | 36 | 72.05 | 34 | 34 | 0.58 | 36BWD01C | 559225 | DAC367234A | A |
| DAC37680045 | 37 | 68 | 45 | 45 | 0.72 | B | |||
| DAC37720033S | 37 | 72 | 33 | 33 | 0.58 | BAH0051B | (GB40547) | B.E | |
| DAC37720037 | 37 | 72 | 37 | 37 | 0.59 | TGB40547 | (GB12807.S03) | D | |
| DAC37720237 | 37 | 72.02 | 37 | 37 | 0.59 | BA2B633028 | 527631 | (GB12258) | B.C.D |
| DAC37720437 | 37 | 72.04 | 37 | 37 | 0.59 | 579794 | (GB12131) | B.C.D | |
| DAC37740045 | 37 | 74 | 45 | 45 | 0.79 | 309946AC | 541521C | B.C | |
| DAC37720052/45 | 37 | 72 | 52 | 45 | 0.70 | D | |||
| DAC38700040 | 38 | 70 | 40 | 40 | 0.58 | C | |||
| DAC38710233/30 | 37.99 | 71.02 | 33 | 30 | 0.50 | 38BWDD09 | DAC3871W-2 | A | |
| DAC38720236/33 | 37.99 | 72.02 | 36 | 33 | 0.54 | DAC3872W-3(-8) | A.B | ||
| DAC38740236/33 | 37.99 | 74.02 | 36 | 33 | 0.58 | 574795 | DAC3874W-6 | A | |
| DAC38700037 | 38.1 | 70 | 37 | 37 | 0.52 | 636193A | C.D | ||
| DAC38700038 | 38 | 70 | 38 | 38 | 0.55 | DAC3870BW | C.D | ||
| DAC38710039 | 38 | 71 | 39 | 39 | 0.62 | DAC3871W-3 | C.D | ||
| DAC38720034 | 38 | 72 | 34 | 34 | 0.46 | DAC3872ACS42 | B | ||
| DAC38720040 | 38 | 72 | 40 | 40 | 0.63 | DAC3872W-10 | C.D | ||
| DAC38730040 | 38 | 73 | 40 | 40 | 0.65 | DAC3873-W | C | ||
| DAC38740040 | 38 | 74 | 40 | 40 | B | ||||
| DAC38740050 | 38 | 74 | 50 | 50 | 0.78 | 38BWD06 | 559192 | NTNDE0892 | B.G |
| DAC38740036 | 38 | 74 | 36 | 36 | 0.46 | B.D | |||
| DAC39670037 | 39 | 67 | 37 | 37 | 0.46 | B | |||
| DAC39680037 | 39 | 68 | 37 | 37 | 0.48 | BA2B309692 | 540733 | C.G.D.F | |
| 311315BD 309396 | |||||||||
| DAC39680737 | 39 | 68.07 | 37 | 37 | 0.48 | C.D | |||
| DAC39720037 | 39 | 72 | 37 | 37 | 0.56 | 309639 | 542186A | DAC3972AW4 | C.E |
| BAHB311396B | (801663D) | ||||||||
| DAC39720437 | 39 | 72.04 | 37 | 37 | 0.56 | 801663E | C.E | ||
| DAC39740036/34 | 39 | 74 | 36 | 34 | 0.62 | B.D | |||
| DAC39740034 | 39 | 74 | 34 | 34 | 0.60 | B | |||
| DAC39740038 | 39 | 74 | 38 | 38 | 0.65 | B | |||
| DAC39740039 | 39 | 74 | 39 | 39 | 0.66 | 636096A | 579557 | B.D | |
| DAC39/41750037 | 39/41 | 75 | 37 | 37 | 0.62 | BAHB633815A | 567447B | B.C | |
| DAC40680042 | 40 | 68 | 42 | 42 | 0.51 | C | |||
| DAC40720036 | 40 | 72 | 36 | 36 | 0.54 | C | |||
| DAC40720037 | 40 | 72 | 37 | 37 | 0.55 | BAHB311443B | 566719 | C.G.F | |
| DAC40720036/33 | 40 | 72 | 36 | 33 | 0.54 | DAC4072W-3CS35 | A | ||
| DAC40720437 | 40 | 72.04 | 37 | 37 | 0.55 | 801663D | C.G | ||
| DAC40720637 | 40 | 72.06 | 37 | 37 | 0.55 | #NAME | C.G | ||
| DAC40730055 | 40 | 73 | 55 | 55 | 0.58 | D | |||
| DAC40740036/34 | 40 | 74 | 36 | 34 | 0.58 | DAC4074CWCS73 | A | ||
| DAC40740036 | 40 | 74 | 36 | 36 | 0.60 | AU0817-5 | 40BWD15 | B.D | |
| DAC40740040 | 40 | 74 | 40 | 40 | 0.66 | 801136 | 559493 | DAC407440 | B.D |
| DAC40740042 | 40 | 74 | 42 | 42 | 0.70 | 40BWD12 | D | ||
| DAC40750037 | 40 | 75 | 37 | 37 | 0.62 | BAHB633966 | 559494 | B.C.D | |
| DAC40760033 | 40 | 76 | 33 | 33 | 0.55 | 555800 | B.D | ||
| DAC40760033/28 | 40 | 76 | 33 | 28 | 0.54 | 474743 | 539166AB | A | |
| DAC40760036 | 40 | 76 | 36 | 36 | 0.55 | B.G | |||
| DAC40760041/38 | 40 | 76 | 41 | 38 | 0.66 | 40BWD05 | DAC4076412RS | I | |
| DAC40800302 | 40 | 80 | 30.2 | 30.2 | 0.65 | 440320H | 565636 | A.D | |
| DAC40800302 | 40 | 80 | 30.2 | 30.2 | 0.65 | Y44FB10394 | 523854 | D | |
| DAC40800036/34 | 40 | 80 | 36 | 34 | 0.70 | DAC4080M1 | B.D | ||
| DAC408000381 | 40 | 80 | 38.1 | 38.1 | 0.75 | 534682B | B.E | ||
| DAC40820040 | 40 | 82 | 40 | 40 | 0.80 | A | |||
| DAC40840034 | 40 | 84 | 34 | 34 | 0.94 | A | |||
| DAC40840038 | 40 | 84 | 38 | 38 | 0.96 | GB40250 | B.D | ||
| DAC40800040 | 40 | 80 | 40 | 40 | 0.83 | C.D | |||
| DAC40842538 | 40 | 84.25 | 38 | 38 | 0.97 | GB40250S01 | B.D | ||
| DAC40900046 | 40 | 90 | 46 | 46 | 0.92 | (PT40900046) | A | ||
| DAC401080032/17 | 40 | 108 | 32 | 17 | 1.20 | BA2B445533 | (TGB10872S02) | G | |
| DAC42720038/35 | 42 | 72 | 38 | 35 | 0.54 | B | |||
| DAC42720038 | 42 | 72 | 38 | 38 | 0.66 | B | |||
| DAC42750037 | 42 | 75 | 37 | 37 | 0.59 | 309245 | 545495D | B.C | |
| 633196 | 533953 | ||||||||
| DAC42720037 | 42 | 72 | 37 | 37 | 0.60 | D | |||
| DAC42750045 | 42 | 75 | 45 | 45 | 0.63 | B | |||
| DAC42760033 | 42 | 76 | 33 | 33 | 0.56 | 555801 | B | ||
| DAC42760038/35 | 42 | 76 | 38 | 35 | 0.58 | (42BWD06) | (IR8650) | A | |
| DAC42760039 | 42 | 76 | 39 | 39 | 0.62 | 579102 | B | ||
| DAC42760040/37 | 42 | 76 | 40 | 37 | 0.64 | 909042 | 547059A | DAC427640 2RSF | B |
| DAC42760037/35 | 42 | 76 | 37 | 35 | 0.56 | D | |||
| DAC42780040 | 42 | 78 | 40 | 40 | 0.66 | B | |||
| DAC42800042 | 42 | 80 | 42 | 42 | 0.80 | B | |||
| DAC42780045 | 42 | 78 | 45 | 45 | 0.68 | B | |||
| DAC42780038 | 42 | 78 | 38 | 38 | 0.64 | 42BW09 | D | ||
| DAC42800036/34 | 42 | 80 | 36 | 34 | 0.70 | B.D | |||
| DAC42800037 | 42 | 80 | 37 | 37 | 0.79 | B.C.D | |||
| DAC42800045 | 42 | 80 | 45 | 45 | 0.85 | DAC4280W-2CS40 | B.C.D | ||
| DAC42800037 | 42 | 80 | 37 | 37 | 0.75 | C.D | |||
| DAC42800342 | 42 | 80.03 | 42 | 42 | 0.81 | BA2B309609AD | 527243C | DAC4280B 2RS | B.C |
| DAC42820036 | 42 | 82 | 36 | 36 | 0.77 | BA2B446047 | 561481 | (GB12163 SO4) | A.B.D |
| DAC42820037 | 42 | 82 | 37 | 37 | 0.77 | BAHB311413A | 565636 | (GB12269) | B.C |
| DAC42840034 | 42 | 84 | 34 | 34 | 0.75 | Y44GB12667 | A | ||
| DAC42840036 | 42 | 84 | 36 | 36 | 0.88 | BA2B444090A | 564727 | (GB10857 S02) | B |
| DAC42840037 | 42 | 84 | 37 | 37 | 0.91 | B | |||
| DAC42840039 | 42 | 84 | 39 | 39 | 0.93 | 440090 | 543359B | (GB10702 S02) | B.C.D |
| DAC42842538 | 42 | 84.25 | 38 | 38 | 0.93 | B.E.F | |||
| DAC43760043 | 43 | 76 | 43 | 43 | 0.66 | B.C | |||
| DAC43770042/38 | 43 | 77 | 42 | 38 | 0.64 | D | |||
| DAC43790041/38 | 43 | 79 | 41 | 38 | 0.84 | DAC4379-1 | F.D | ||
| DAC43800050/45 | 43 | 80 | 50 | 45 | 0.95 | 43BWD03 | DAC4380A | A | |
| DAC43820045 | 43 | 82 | 45 | 45 | 0.90 | 43BWD06 | DAC4382W-3CS79 | B.C | |
| DAC43/45820037 | 43/45 | 82 | 37 | 37 | 0.76 | BAHB633814A | 567519A | B.D | |
| DAC43/45850037 | 43/45 | 85 | 37 | 37 | 0.80 | D | |||
| DAC448250037 | 44 | 82.5 | 37 | 37 | 0.76 | (GB40246S07) | D | ||
| DAC44850023 | 44 | 85 | 23 | 23 | 0.54 | 4209ATN9 | A | ||
| DAC45750027/15 | 45 | 75 | 27 | 15 | A | ||||
| DAC45750023/15 | 45 | 75 | 23 | 15 | A | ||||
| DAC45800045 | 45 | 80 | 45 | 45 | 0.95 | 564725AB | B | ||
| DAC45800045/44 | 45 | 80 | 45 | 44 | 0.95 | D | |||
| DAC45800048 | 45 | 80 | 48 | 48 | 0.99 | D | |||
| DAC45830044 | 45 | 83 | 44 | 44 | 0.90 | B | |||
| DAC45830045 | 45 | 83 | 45 | 45 | 0.92 | B | |||
| DAC45840038 | 45 | 84 | 38 | 38 | 0.87 | B | |||
| DAC45840039 | 45 | 84 | 39 | 39 | 0.88 | 309797 | 45BWD03 | B.D.I | |
| DAC45840041/39 | 45 | 84 | 41 | 39 | 0.90 | DAC4584DW | D | ||
| DAC45840042/40 | 45 | 84 | 42 | 40 | 0.90 | 45BWD07 | D | ||
| DAC45840042 | 45 | 84 | 42 | 42 | 0.90 | B | |||
| DAC45850023 | 45 | 85 | 23 | 23 | 0.56 | 4209 | A | ||
| DAC458500302 | 45 | 85 | 30.2 | 30.2 | 0.83 | (DAC 2004) | B | ||
| DAC45850041 | 45 | 85 | 41 | 41 | 0.90 | B.F | |||
| DAC45850051 | 45 | 85 | 51 | 51 | 1.00 | B.F | |||
| DAC45850047 | 45 | 85 | 47 | 47 | 1.00 | B | |||
| DAC45880045 | 45 | 88 | 45 | 45 | 1.15 | D | |||
| DAC45880039 | 45 | 88.02 | 39 | 39 | 0.98 | B.D | |||
| DAC47810053 | 47 | 81 | 53 | 53 | 0.98 | F | |||
| DAC47850045 | 47 | 85 | 45 | 45 | 0.98 | 559431 | B.F | ||
| DAC48820037/33 | 48 | 82 | 37 | 33 | 0.82 | B | |||
| DAC49840039 | 49 | 84 | 39 | 39 | 0.93 | B.D | |||
| DAC49840048 | 49 | 84 | 48 | 48 | 0.98 | B | |||
| DAC49880046 | 49 | 88 | 46 | 46 | 0.95 | 572506 | B | ||
| DAC50820033/28 | 50 | 82 | 33 | 28 | 0.78 | D | |||
| DAC50900034 | 50 | 90 | 34 | 34 | 0.83 | 633007C | 528514 | B | |
| DAC50900040 | 50 | 90 | 40 | 40 | 0.98 | C | |||
| DAC55900060 | 55 | 90 | 60 | 60 | 0.99 | D.E | |||